Cảm biến nhiệt độ và độ ẩm THS130 THS140

– Cảm biến nhiệt độ & độ ẩm dạng tường hoặc ống gió
– Thiết kế kinh tế, lý tưởng cho HVAC
– Dải đo: 0~50°C / 0~100%RH
– Độ chính xác: ±0.5°C / ±3%RH
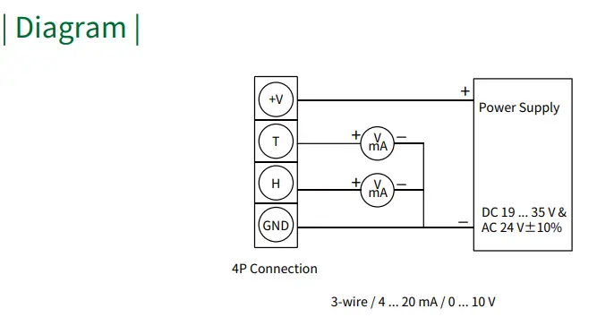
– Đầu ra: 4–20 mA / 0–10 V
– IP54, ổn định dài hạn, giá hợp lý

So sánh